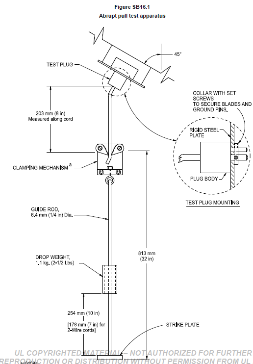
Why Surge Impulse Tests are Crucial for Electrical Safety
You know, these surge impulse tests—they are also known as tests simulating lightning strikes—are totally vital to ensuring our electrical stuff is safe. So, These tests simulate what happens When lightning strikes electrical systems. They make sure all those protection devices and parts can handle those heavy voltage surges without failing. Alright, I will delve into the top five inquiries about surge impulse tests and also offer some actual instances.
Alright, let's start with what a surge impulse test actually is.
Now, how do we do these surge impulse tests?
So why are these tests important, anyway?
Now, why should we bother doing these tests?
Real-life case: A surge impulse test saved a factory from a major disaster

It's a test that lightning strikes and and similar occurrences. It's all about creating a simulation of those really intense voltage and current surges. This test helps us check how adequate our surge protectors, transformers, and other stuff do when put in such severe conditions. So by running these tests, manufacturers and engineers can make sure that the product is ready for use for actual usage scenarios.

We utilize devices known as surge generators to carry out the tests. The surge generators produce a controlled, high-voltage surge that is directed towards the item under test.
Then we watch and record how the thing we're assessing reacts to the surge, so we can evaluate its performance. The test typically involves applying the surge at various intensities and frequencies to simulate a range of actual situations.

The testing process are highly critical for ensuring electrical safety in lots of settings, like electric power networks, telecommunication systems, and various industrial equipment. The tests identify potential vulnerabilities in our systems and confirm that the protective devices are functioning correctly. If these surges aren't handled right, we risk considerable damage, blazes, and even harm or more serious consequences.

Conducting surge impulse tests offers several benefits. Firstly, it aids in preventing expensive repairs and unavailability due to machine breakdown due to lightning strikes.
Additionally, it guarantees adherence with safety regulations and regulations. And lastly, it gives all—the technical staff and the customers—a sense of security, knowing our power distribution system can withstand a surge.

So, there was this manufacturing facility recently that got struck by lightning. Big problem. It damaged their power distribution system. But here's the surprise: They'd been doing regular surge tests and noticed something was wrong with their protection devices. Immediately, they resolved the problem, and they didn't end up with a devastating incident or incurred significant financial loss.
- KINGPO will meet you at the 92nd China International Medical Equipment (Autumn) Expo in 2025
- KingPo Delivers and Installs State-of-the-Art Dust Chamber in Korea, Enhancing Local Testing Capabilities
- Fatal mistakes in IPX9K waterproof test: nozzle size and water temperature control, the truth you must know
- Neutral Electrode Temperature-rise Tester: Ensuring Safety in Electrosurgery
- What are the key differences between ISO 80369-7 and ISO 594?
- ISO 594 is replaced with ISO 80369
- Understanding the Importance of Buying a Luer Connection Test Kit
- Essential Considerations for Small-Bore Connector Testing Equipment
- Medical Device Pressure Validation: Ensuring Accuracy and Reliability
- Luer Gauge Adapter for Syringes: Enhancing Medical Precision and Safety