Decoding Wikipedia Gauge Luer Lock Radius
Ever find yourself struggling in the never-ending labyrinth of Wikipedia, attempting to comprehend all that complex technical jargon? Alright, let's delve into the world of Wikipedia Gauge Luer Lock Radius and figure out what all the fuss is about. And this thing, usually overlooked by many, but it's significant in healthcare and pharmaceuticals. So, let's dive right in and address five pressing questions about this.
What's this Wikipedia Gauge Luer Lock Radius all about?
Why is the Wikipedia Gauge Luer Lock Radius important in medical devices?
How does the Wikipedia Gauge Luer Lock Radius affect the performance of pharmaceutical products?
What are the common challenges faced when dealing with the Wikipedia Gauge Luer Lock Radius?
How can one ensure the accuracy of the Wikipedia Gauge Luer Lock Radius?

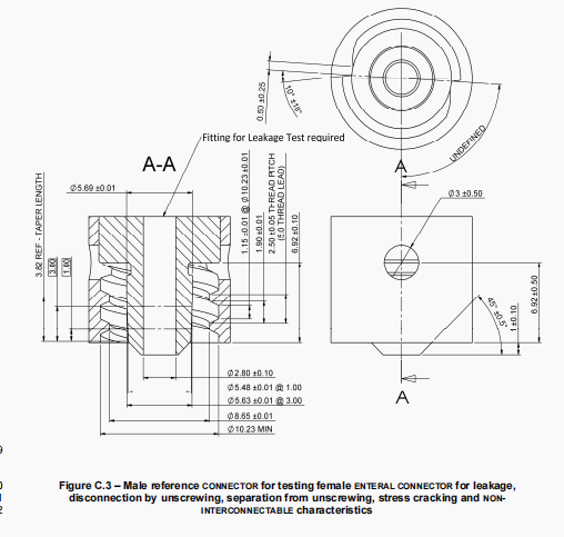
The Wikipedia Gauge Luer Lock Radius is just a fancy way of saying it's the diameter of the attachment on these devices. Luer Lock connections are like the heroes of interconnections in medical equipment and medication, securing and ensuring safety. The dimension aspect is crucial due to it determines if these items function properly together and fulfill their purpose.

Picture this: a device doesn't work right because it's not tight enough. And that's where this Wikipedia Gauge Luer Lock Radius comes in to save the day.
A proper size makes sure the gadget functions well, keeping everyone safer. And it also makes the gadget have longer lifespan, dependable for medical staff.

For medications like injections, you need a good fit to keep the stuff from spilling out or getting unhygienic. This Wikipedia Gauge Luer Lock Radius makes sure the drug remains sealed, keeping it free from contamination and robust. And that ensures the drug is effective and is secure for all users, giving both doctors and patients relief.

A difficulty lies in the fact that sizes can vary among different brands and models, which makes it challenging to find a match. This might lead to issues when attempting to select the correct component for a specific task. Furthermore, ensuring these items are precisely correct is quite important, which requires high-quality materials and highly skilled labor.

To get this Wikipedia Gauge Luer Lock Radius right, you require effective measurement techniques and adhere to industry standards. Ensuring your measuring instruments are calibrated properly and playing by the ISO and other rules keeps it accurate. And having pros who know what they're doing in the making process reduces the occurrence of errors.
- KingPo Delivers and Installs State-of-the-Art Dust Chamber in Korea, Enhancing Local Testing Capabilities
- Neutral Electrode Temperature-rise Tester: Ensuring Safety in Electrosurgery
- ISO 80369-7 Luer Gauge Checklist
- What are the implications for manufacturers transitioning from ISO 594 to ISO 80369-7?
- KINGPO Company Unveils Next-Generation Electrosurgery Analyzer
- ISO 80369-7:2016 Connectors with 6% (Luer) taper for intravascular or hypodermic applications What is the ISO 80369-7 standard? What happened to ISO 594-1 and ISO 594-2?
- ISO 80369-3 Test Equipment LIst
- Understanding the Importance of Buying a Luer Connection Test Kit
- Understanding ASTM F2059 Fluid Flow Test: A Comprehensive Overview
- Luer Gauge Adapter for Syringes: Enhancing Medical Precision and Safety